所属分类:压力系列
产品概述:
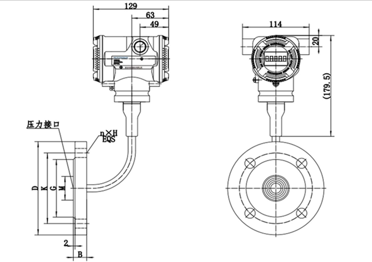
ACD 远传压力变送器是我公司推出的一款高精度、高稳定性的数显压力变送器产品。该产品采用先进的数字化温度补偿及非线性修正技术,结合成熟的压力变送器设计制造技术,确保压力测量的精度和稳定性。产品取得防爆认证,适用于有防爆要求的场所,产品采用宽温液晶显示及金属铸件壳体,可适用较为严酷的工况条件。
▍产品应用
在所有行业的关键过程应用中都表现出卓越的可靠性、精确度和长期稳定性。传输来自压力传感单元的转换信号,可采用 HART、MODBUS-RTU 通信,传输电流和电压信号。仪表背光显示,坚固耐用的外壳,适合现场安装,能在条件苛刻的过程区域直接应用。
ACD 单法兰毛细管远传压力变送器在多个工业领域中有着广泛的应用,主要得益于其高精度、高稳定性、易于安装与维护以及能够适应恶劣工况环境等特点。
主要的应用领域包括: --石油行业 --化工行业 --电力行业 --市政建设 --工业过程测量 --制药工业 --⾷品加工
为油气田提供智能化产品、服务和解决方案的国内头部企业。
400-005-8656
--背光显示屏,大测量值、柱状图和状态显示
--远距离可组网 RS485,Modbus-RTU 通讯协议
--HART 通讯,可使用手持终端或 PC 进行变送器操作
--具有完善的数据备份与恢复功能,现场免维护
--通过防爆认证,适合 Ex d 场合
--量程覆盖广,-100kPa ~ 6kPa~40MPa
--采用单晶硅压阻技术,性能稳定,精度最高可达±0.05%FS
--量程比最高可达 100:1,测量范围调整灵活
--高稳定性,可达 ±0.2%URL/15 年
--高过载保护膜片,实现大压力过载保护功能
--采用高性能 EMC 防护电路模块,有效降低电磁扰动对产品的输出影响

