所属分类:压力系列
产品概述:
ACD-102压力变送器(备用电池)是我公司结合数字压力变送器技术特点,增加内置电池,使变送器在无外电的情况下,依然可以进行压力检测,变送器不但具有变送器的(4~20)mA模拟信号输出功能,还可选RS485数字通讯功能和(5~30)Hz功能;更具有压力变送器少有的五位液晶背光显示。
产品应用
-适合野外或恶劣环替代进口的压力变送器;
-境下全天候采集或通讯;
-油井、气井的压力监测和远传;
-适合大面积的压力参数组网采集;
-满足腐蚀性、冲击性、震动性等场所压力采集需求;
为油气田提供智能化产品、服务和解决方案的国内头部企业。
400-005-8656
-11种单位显示,自由设置;
-内置电池,外电自动切换;
-可选RS485通讯、(4~20)mA信号、脉冲输出,自由选择;
-五位动态液晶数字显示,且带背光显示,方便夜间读取;
-永不掉线通讯技术,总线支持255台RS485子设备;
-信号隔离技术,电磁、电频抗干扰技术;
-零点自稳技术,温度自动补偿技术;

显示单位
Pa(帕斯卡)、kPa(千帕)、MPa(兆帕)
psi(磅)、bar(巴)、mbar(毫巴)
kgf/cm2(公斤力/立方厘米)
inH2O(英寸水柱)、mmH2O(毫米水柱)
inHg(英寸汞柱)、mmHg(毫米汞柱)
测量范围
表压:-0.1MPa~0~...~260MPa
差压:0~500Pa~...~3.5MPa
绝压:0~0.035MPa~...~60MPa
准确度等级
0.05级、0.1级 、0.2级、0.5级;
稳定性能
优于15年±0.2%URL
输出信号
(4~20)mA(24V直流,两线制)
(5~30)Hz脉冲(5V直流,三线制)
通讯方式
RS485(同时兼容modbusRTU和安森自由协议)
供电方式
内电:3.6V工业锂电池 (内置电池EMC特性受限)
外电:ACD-102C:(10~30)VDC
ACD-102D:(4.5~36)VDC
(24V典型)或5V直流
采集速度
内电:(1~20)秒/次,默认4秒/次,时间可自主设置
外电: 0.25秒/次
环境温度
(-30~85)℃ ,(-30~80)℃(带LCD表头)
相对湿度
<90%
大气压力
(86~106)kPa
其他
校正参比环境温度:20℃±2℃
测量介质温度情况
常规(-40~120)℃,
宽温(-60~150)℃
显示方式
五位数字背光显示+百分比棒形图
防护等级
IP65
防爆等级
ExdIIBT6 Gb
过载压力
量程的(1.5~3)倍,视测量范围而定
软件配置
AncnView-T智能仪表检测软件(带RS485通讯):实时显示仪表数据,自动记录,自动绘制压力曲线,可导出至Excel表格,读取、打印、保存。
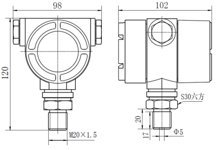
过程连接
公 制:M20×1.5、M14×1.5、M14×1等
英/美标:G1/2、G3/4、G1/8、G3/8
NPT 1/2、NPT 1/4、NPT 1/8等
安装方式
①径向 ②分体

