所属分类:压力系列
产品概述:
ACD 单法兰毛细管远传压力变送器是我公司推出的一款高精度、高稳定性的数显压力变送器产品。该产品采用先进的数字化温度补偿及非线性修正技术,结合成熟的压力变送器设计制造技术,确保压力测量的精度和稳定性。产品取得防爆认证,适用于有防爆要求的场所,产品采用宽温液晶显示及金属铸件壳体,可适用较为严酷的工况条件。
产品应用
ACD单法兰毛细管远传压力变送器在多个工业领域中有着广泛的应用,主要得益于其高精度、高稳定性、易于安装与维护以及能够适应恶劣工况环境等特点。
主要的应用领域包括:
-石油行业
-化工行业
-电力行业
-市政建设
-工业过程测量
- 制药工业
-食品加工
为油气田提供智能化产品、服务和解决方案的国内头部企业。
400-005-8656
-背光显示屏,大测量值、柱状图和状态显示
-远距离可组网RS485,Modbus-RTU通讯协议
-HART通讯,可使用手持终端或PC进行变送器操作
-具有完善的数据备份与恢复功能,现场免维护
-通过防爆认证,适合Ex d场合
-量程覆盖广,-100kPa ~6kPa ~40MPa
-采用单晶硅压阻技术,性能稳定,精度最高可达±0.05%FS
-量程比100:1,测量范围调整灵活
-高稳定性,可达 ±0.2%URL/15 年
-高过载保护膜片,实现大压力过载保护功能
-采用高性能 EMC 防护电路模块,有效降低电磁扰动对产品的输出影响
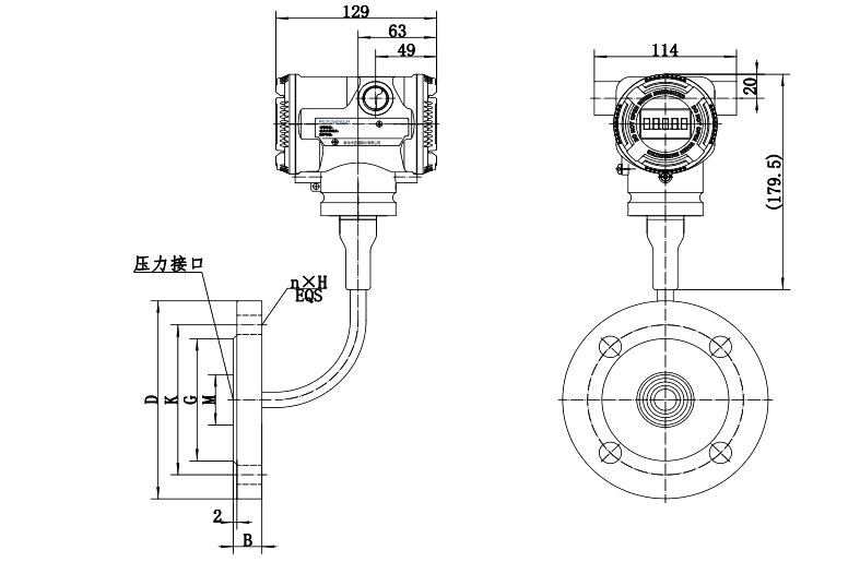
▍外形尺寸

测量介质:液体或气体等(与接触材质兼容)
量程范围:-100kPa ~6kPa ~40MPa
精度等级:±0.05%FS、±0.075%FS、±0.1%FS、±0.2%FS、±0.5%FS
稳定性能:±0.2%URL/15年
供电电压:DC 10~30V(外供电),DC 3.6V(内电池)
输出信号:4~20mA(二线制),0~25Hz,5~30Hz
数字通讯:RS485(Modbus-RTU),HART
防爆等级:Ex db IIC T6 Gb
防护等级:IP66
绝缘电阻:≥100MΩ@500VDC
绝缘强度:≤2mA@50Hz/500VAC
环境温度:-40℃~85℃
大气压力:80kPa~106kPa
相对湿度:0%RH~95%RH(无冷凝无结露)
储运温度:-40℃~85℃
▍产品选型
