所属分类:压力系列
产品概述:
ACD 数字压力变送器是我公司推出的一款高精度、高稳定性的数显压力变送器产品。该产品采用先进的数字化温度补偿及非线性修正技术,结合成熟的压力变送器设计制造技术,确保压力测量的精度和稳定性。产品取得防爆认证,适用于有防爆要求的场所,产品采用宽温液晶显示及金属铸件壳体,可适用较为严酷的工况条件。
在所有行业的关键过程应用中都表现出卓越的可靠性、精确度和长期稳定性。传输来自压力传感单元的转换信号,可采用 HART、MODBUS-RTU 通信,传输电流和电压信号。仪表背光显示,坚固耐用的外壳,适合现场安装,能在条件苛刻的过程区域直接应用。 根据具体技术规格,可以与不同的连接头、扩展件(颈管)和过程连接器配合使用。因此,这些压力变送器适用于以下领域的大量技术应用:
-石油行业
-化工行业
-电力行业
-市政建设
-工业过程测量
-制药工业
-⾷品加工
为油气田提供智能化产品、服务和解决方案的国内头部企业。
400-005-8656
-背光显示屏,大测量值、柱状图和状态显示;
-远距离可组网 RS485,Modbus-RTU 通讯协议;
-HART 通讯,可使用手持终端或 PC 进行变送器操作 ;
-具有完善的数据备份与恢复功能,现场免维护 ;
-通过防爆认证,适合 Ex d 场合 ;
-量程覆盖广,-100kPa…0kPa ~ 10kPa…100MPa;
-2 倍满量程过载压力或 110MPa (取最小值) ;
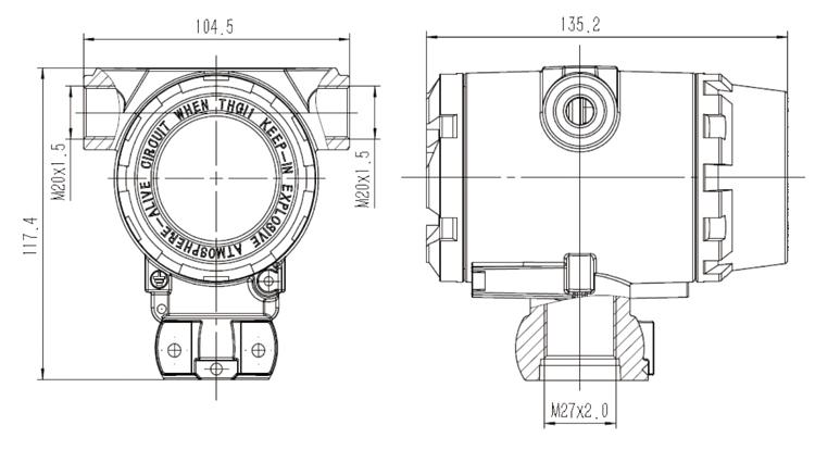
【外形尺寸】(单位:mm)

【测量介质】
液体或气体等(与接触材质兼容)
【量程范围】
-100kPa…0kPa ~ 10kPa…100MPa
【精度等级】
0.1%FS、0.2%FS、0.5%FS
【稳定性能】
0.1%FS/年
【供电电压】
DC 10~30V(外供电),DC 3.6V(内电池)
【输出信号】
4~20mA(二线制),0~25Hz,5~30Hz
【数字通讯】
RS485(Modbus-RTU),HART
【压力过载】
2 倍满量程压力,或 110MPa (取最小值)
【防爆等级】
Ex db IIC T6 Gb
【防护等级】
IP66
【绝缘电阻】
≥100MΩ@500VDC
【绝缘强度】
≤2mA@50Hz/500VAC
【环境温度】
-40℃~85℃
【大气压力】
80kPa~106kPa
【相对湿度】
0%RH~95%RH(无冷凝无结露)
【储运温度】
-40℃~85℃

