所属分类:压力系列
产品概述:
ACD 电动压力变送器是我公司推出的一款高精度、高稳定性的数显压力变送器产品。该产品采用先进的数字化温度补偿及非线性修正技术,结合成熟的压力变送器设计制造技术,确保压力测量的精度和稳定性。产品取得防爆认证,适用于有防爆要求的场所,产品采用宽温液晶显示及金属铸件壳体,可适用较为严酷的工况条件。
产品应用
在所有行业的关键过程应用中都表现出卓越的可靠性、精确度和长期稳定性。传输来自压力传感单元的转换信号,可采用 HART、MODBUS-RTU 通信,传输电流和电压信号。仪表背光显示,坚固耐用的外壳,适合现场安装,能在条件苛刻的过程区域直接应用。 根据具体技术规格,可以与不同的连接头、扩展件(颈管)和过程连接器配合使用。因此,这些压力变送器适用于以下领域的大量技术应用:
-石油行业
-化工行业
-电力行业
-市政建设
-工业过程测量
-制药工业
-⾷品加工
为油气田提供智能化产品、服务和解决方案的国内头部企业。
400-005-8656
-背光显示屏,大测量值、柱状图和状态显示
-远距离可组网 RS485,Modbus-RTU 通讯协议
-HART 通讯,可使用手持终端或 PC 进行变送器操作
-具有完善的数据备份与恢复功能,现场免维护
-通过防爆认证,适合 Ex d 场合
-零量程覆盖广,-100kPa…0kPa ~ 10kPa…100MPa
-2 倍满量程过载压力或 110MPa (取最小值)
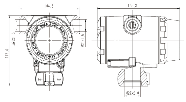
外形尺寸:(单位:mm)

测量介质:
液体或气体等(与接触材质兼容)
量程范围:
-100kPa…0kPa ~ 10kPa…100MPa
精度等级:0.1%FS、0.2%FS、0.5%FS
稳定性能:0.1%FS/年
供电电压:DC 10~30V(外供电),DC 3.6V(内电池)
输出信号:4~20mA(二线制),0~25Hz,5~30Hz
数字通讯:RS485(Modbus-RTU),HART
过载压力:2 倍满量程压力,或 110MPa (取最小值)
防爆等级:Ex db IIC T6 Gb
防护等级:IP66
绝缘电阻:≥100MΩ@500VDC
绝缘强度:≤2mA@50Hz/500VAC
环境温度:-40℃~85℃
大气压力:80kPa~106kPa
相对湿度:0%RH~95%RH(无冷凝无结露)
储运温度:-40℃~85℃
产品选型
