所属分类:压力系列
产品概述:
ACD-3151数字差压变送器是安森仪器在引进国外先进技术的基础上自主研发、生产的新型数字化差压仪表,它应用了安森仪器先进微功耗技术及软件补偿技术,关键元器件和零部件均采用进口,整机经过严格组装、测试和老化,确保了仪表的品质。
该产品具有设计先进、品种规格齐全、安装使用简便等特点。同时与传统的1151、3051等系列产品在安装上可直接替换,故它是一些老型号产品的替代和更新产品。为适合国内自动化水平的不断提高和发展,该系列产品除设计小巧精致外,具有现场显示压力的功能。
产品应用
-适合野外或恶劣环替代进口的差压变送器;
-境下全天候采集或通讯;
-油井、气井的压力监测和远传;
-适合大面积的压力参数组网采集;
-满足腐蚀性、冲击性、震动性等场所压力采集需求;
为油气田提供智能化产品、服务和解决方案的国内头部企业。
400-005-8656
产品特点
-11种单位显示,自由设置;
-精度高、稳定性好、小型、重量轻、坚固抗振;
-单向过载保护特性好、无机械可动部件,维修工作量少;
-全系列统一结构,零部件互换性强、接触介质的膜片材料可选择;
-采集速度(0.1~10)秒/次,自由设置;
-供电电池为开发式设计,方便随时更换;
-按键为磁笔感应式设计;免除干扰,不易损坏;
-宽大屏幕五位液晶显示,十分醒目;
-显示压力百分比棒形图,直观易懂;
-温度自动补偿技术,恶劣环境下降低误差;
-零点自稳技术,增加仪表稳定性;
-防爆结构,全天候使用;
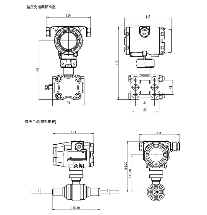
安装方式与外形尺寸
①横装 ②竖装 ③双法兰

显示单位
Pa(帕斯卡)、kPa(千帕)、MPa(兆帕)
psi(磅)、bar(巴)、mbar(毫巴)
kgf/cm2(公斤力/立方厘米)
inH2O(英寸水柱)、mmH2O(毫米水柱)
inHg(英寸汞柱)、mmHg(毫米汞柱)
测量范围
差压:0~1kPa至0~4MPa
准确度等级
0.05级、0.075级、0.1级、0.2级
稳定性能
优于15年±0.2%URL
输出信号
(4~20)mA(24V直流,两线制)
通讯方式
HART、RS485
供电方式
(10~30)V直流(通讯供电)
采集速度
(0.1~10)秒/次,默认0.2秒/次,时间可自主设置
环境温度
(-40~85)℃
(-30~80)℃ 带LCD表头
相对湿度
<90%
大气压力
(86~106)kPa
其他
校正参比环境温度:20℃±2℃
0.075级时仪表工作环境温度:(0~50)℃
测量介质温度情况
常规:(-40~85)℃
宽温:(-70~400)℃法兰式安装灌充高温硅油
显示方式
五位数字背光显示+百分比棒形图;数字表头带设定按钮;无表头
防护等级
IP65 / IP66 / IP67
防爆等级
ExdIICT6 Gb
过载压力
最大静压:32MPa
单向最大过载压力:32MPa
双向最大过载压力:48MPa
注:过载压力均视量程范围而定
软件配置
AncnView-T智能仪表检测软件(带RS485通讯):实时显示仪表数据,自动记录,自动绘制压力曲线,可导出至Excel表格,读取、打印、保存。
过程连接
公 制:M20×1.5、M14×1.5、M14×1等
英/美标:G1/2、G3/4、G1/8、G3/8
NPT 1/2、NPT 1/4、NPT 1/8等
产品选型