所属分类:压力系列
产品概述:
ACD-200数字压力表是采用了先进微功耗器件以及完善的软件技术,内置的锂电池可连续工作3~5年,大屏幕液晶显示窗,非常适合于现场及实验室使用。
产品专利
实用新型专利证书
①ZL2015 2 0269374.3 《一种仪表供电锂电池》
②ZL2014 2 0475830.5 《一种压力、温度仪表表头》
外观设计专利证书
③ZL2014 3 0300364.2 《压力、温度仪表表头》
产品应用
-满足腐蚀性、冲击性、震动性等场所压力显示;
-满足实验室和工业现场高精度压力采集需求;
-替代传统指针压力表,可做标准压力表;
为油气田提供智能化产品、服务和解决方案的国内头部企业。
400-005-8656
-11种单位显示,自由设置;
-采集速度(0.25~10)秒/次,自由设置;
-供电电池为开放式设计,方便随时更换;
-按键为磁笔感应式设计,免除干扰,不易损坏;
-宽大屏幕五位液晶显示,十分醒目;
-显示压力百分比棒形图,直观易懂;
-温度自动补偿技术,恶劣环境下降低误差;
-零点自稳技术,增加仪表稳定性;
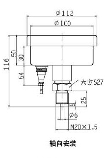
安装方式
①径向 ②轴向 ③盘装 ④分体
外形尺寸:(单位:mm)



显示单位
Pa(帕斯卡)、kPa(千帕)、MPa(兆帕)
psi(磅)、bar(巴)、mbar(毫巴)
kgf/cm2(公斤力/立方厘米)
inH2O(英寸水柱)、mmH2O(毫米水柱)
inHg(英寸汞柱)、mmHg(毫米汞柱)
测量范围
表压:-0.1MPa~0MPa~…~260MPa
差压:0~500Pa~...~3.5MPa
绝压:0~0.035MPa~...~60MPa
准确度等级
0.05级、0.1级、0.2级、0.5级
供电方式
内置1节3.6V高性能锂电池
采集速度
(0.25~10)秒/次,默认0.5秒/次,时间可设置
稳定性能
优于0.1%FS/年
电池工作时间
内置3.6v高性能锂电池,参考条件:(16~25)℃

环境温度
(-30~70)℃
相对湿度
<90%
大气压力
(86~106)kPa
其他
校正参比环境温度:20℃±2℃
0.05级时仪表工作环境温度:(0~50)℃
测量介质温度情况
常规(-40~120)℃,
宽温(-60~150)℃
显示方式
五位数字显示+百分比棒形图
防护等级
IP65
防爆等级
ExiaIICT4 Ga
过载压力
量程的(1.5~3)倍,视测量范围而定
过程连接
公 制:M20×1.5、M14×1.5、M14×1等
英/美标:G1/2、G3/4、G1/8、G3/8
NPT 1/2、NPT 1/4、NPT 1/8等