所属分类:流量系列
产品概述:
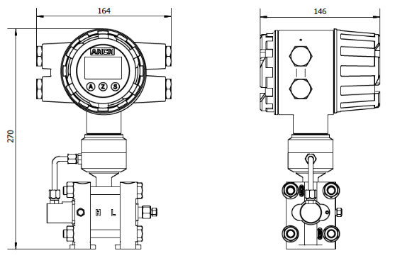
ACF智能流量计算装置是我公司运用多年传感器信号处理技术积累,精心打造的第二代多功能智能差压流量计。集差压传感器、静压传感器、温度传感器、流量积算仪于一体,可配合差压式节流检测装置(V锥、孔板、喷嘴、文丘里管、均速管等)构成一体化差压流量计。
为油气田提供智能化产品、服务和解决方案的国内头部企业。
400-005-8656
▶ 单一设备集成差压、静压和过程温度测量的高性能多参量智能流量计算装置。相比传统的不同的变送器测量差压、静压和过程温度,并将测量结果传输给DCS、PLC或流量计算机,然后进行计算得到流量的方案,ACF多参量流量变送器是一种非常经济的解决方案。
▶ 气体、液体和蒸汽带补偿的体积或质量流量测量,对压力和温度的动态补偿
▶ 一路可任意配置为差压、静压、过程温度或瞬时流量的4-20mA输出(三线制)
▶ 一个脉冲频率输出
▶ 双路RS485通讯
▶ 可选无线ZigBee通讯方式
▶ 低功耗使用Modbus RTU非常适用于太阳能供电的系统
▶ 可简单快捷进行参数配置完成组态
▶ 仪表操作全记录,日志存储最大2048条
▶ 针对天然气测量,系统提供完善的压缩因子补偿

| 测量介质 | 气体、液体、蒸汽等 |
| 测量范围 | 温度:(-100~500) °C |
| 静压:(0~32)MPa | |
| 差压:(0-600)kPa | |
| 输出信号 | 2.4G无线Zigbee |
| 无线通讯距离 | 200m(可视距离) |
| 通讯协议 | Modbus RTU协议 |
| 供电电压 | (10 ~ 30)VDC |
| 电流输出负载能力(Ω) | ≤(供电电压 – 10)/ 0.022 |
| 脉冲最大输出频率 | ≤ 5kHz |
| 最大允许工作压力 | 参考差压量程中MWP规定 |
| 防护等级 | IP65 |
| 防爆等级 | Exd IIC T6 Gb |
| 环境要求 | 温度:(-40~70) °C |
| 湿度:5%~95%RH | |
| 大气压:(86~106)kPa |