所属分类:流量系列
产品概述:
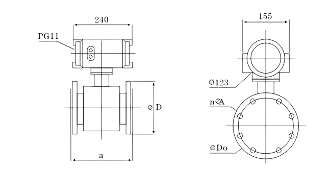
ACFD系列电磁流量计是一种测量导电介质体积流量的感应仪表,在进行现场监测显示的同时,可输出标准的电流信号,供记录、调节、控制使用,实现检测自动控制,并可实现信号的远距离传送。可广泛应用于自来水、化工、煤炭、环保、轻纺、冶金、造纸等行业中的导电液体的流量计量。
为油气田提供智能化产品、服务和解决方案的国内头部企业。
400-005-8656
-测量管内无阻碍流动部件,无压损,直管段要求较低
-传感器内衬和电极材质有多种选择,可适用于多种测量介质
-测量不受流体密度、粘度、温度、压力和电导率变化的影响
-不受流体方向影响,正反向均可准确计量
-量程比1:120(0.1m/s~12m/s), 满量程流速范围宽
-具有空管测量、报警功能,并能适应不同的流体介质

公称通径 DN15~DN1000
公称压力 0.6MPa~42MPa
最高流速 15m/s
精度 0.2%F.S、0.5%F.S、1.0%F.S
电极形式 固定式(DN10-DN3000);刮刀式(DN100-DN2000)
流体电导率 ≥50μs/cm、大于5小于50时,需特殊订货
连接法兰材质 碳钢/不锈钢
连接方式 法兰/插入式/夹持式
环境温度 (-30~65)℃
防护等级 IP66/IP68
接地环材质 不锈钢、钛、钽、HB/HC
进口保护法兰 碳钢/不锈钢
供电方式 24V±10%
3.6V锂电池
▍ 产品选型