所属分类:温度系列
产品概述:
ACT-2K数字温度控制仪是在ACT-201数字温度表的基础上增加报警控制功能,具有现场显示和报警继电器触点输出,可以设置上、下限报警点和控制回差,并驱动继电器输出。信号全隔离设计,杜绝干扰;具有控制精度高、响应速度快、工作稳定、体积小、安装方便等优点,是电接点仪表的理想替代产品。
产品应用
-精度达到0.2级,满足高精度温度采集、控制和报警需求;
-满足腐蚀性、冲击性、震动等场所温度控制需求;
-实验室数字通讯采集温度,在计算机上实现数据存储和处理;
-替代指针电接点温度表,可做标准温度表;
为油气田提供智能化产品、服务和解决方案的国内头部企业。
400-005-8656
-环氧树脂密封机构,抗震、耐温、本安防爆,安全可靠;
-采集速度(1~20)秒/次,自由设置;
-径向、轴向、盘装、分体式等,安装方式灵多样;
-按键为磁笔感应式设计,免除干扰,不易损坏;
-宽大屏幕五位液晶显示,十分醒目;
-显示压力百分比棒形图,直观易懂;
-采用压簧式结构,触温敏感性强,仪表响应速度快;
-零点自稳技术,增加仪表稳定性;
-上限、下限继电器独立输出;
-RS485通讯和(4~20)mA、(1~5)V输出,自由选择;
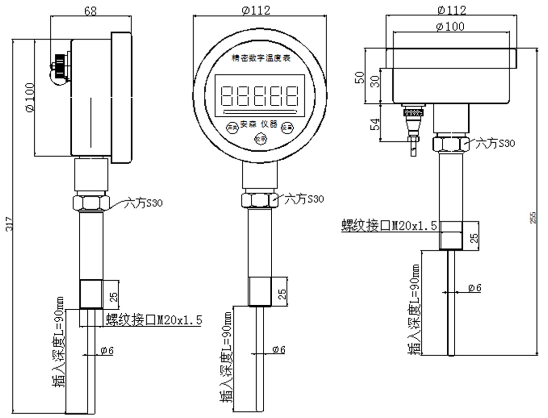
外形尺寸:(单位:mm)


显示单位
℃(摄氏度)、℉(华氏度)
测量范围
热电偶
E:0~750℃ K:0~1200℃
S:0~1300℃ B:0~1600℃
热电阻
Pt100:-200℃~500 ℃
插入深度
50mm~2500mm (根据客户需求订做)
准确度等级
0.2级、0.5级
稳定性能
优于0.3%FS/年
输出信号
(4~20)mA(24V直流,三线制)
通讯方式
RS485
量程迁移
建议不超过 3:1 (针对电流输出信号)
继电器节点容量
240VAC/1A、30VDC/2A
供电方式
外电:(10~30)V直流(通讯供电)
采集速度
(1~20)秒/次,默认1秒/次,时间可设置,
环境温度
(-30~70)℃
相对湿度
<90%
大气压力
(86~106)kPa
测量介质情况
含腐蚀性:用防腐性强材质铠芯或加铠芯保护管
粘稠性介质:可加铠芯保护管
显示方式
五位数字显示+百分比棒形图
防护等级
IP65
防爆等级
ExiaIICT4 Ga
软件配置
AncnView-R-SD智能存储仪表分析软件 实时显示仪表测量数据,自动记录,通过读卡器高速读取数据,具有数据库,数据分析、报表、曲线等功能。
过程连接
公 制:M27×2、M20×1.5、M14×1.5等
英/美标:G1/2、G1/4、NPT1/2、NPT1/4等

①径向 ②分体式

