所属分类:温度系列
产品概述:
ACT-302数字温度变送器是我公司在以往产品的技术经验基础上自主研发的新产品。仪表不但具有变送器的(4~20)mA模拟信号输出功能,还可增加RS485数字通讯功能;可配合通讯软件可直接与计算机或其他通讯接口进行数据采集,并对检测数据进行保存、处理和报表输出;仪表采用了先进微功耗器件以及完善的软件技术;更具有温度变送器少有的五位液晶背光显示。
▍ 产品应用
-合野外或恶劣环境下适全天候采集或通讯;
-替代进口的温度变送器仪表;
-油井、气井的温度监测和远传;
-适合大面积的温度参数组网采集;
-满足腐蚀性、场所温度采集需求;
为油气田提供智能化产品、服务和解决方案的国内头部企业。
400-005-8656
-输出信号可在量程范围内自由迁移;
-RS485通讯和(4~20)mA同时输出,自由选择;
-同时兼容MODBUS RTU和安森自由协议;
-永不掉线通讯技术,总线支持255台RS485子设备;
-五位动态液晶数字显示,且带背光显示,方便夜间读取;
-独有抗射频干扰技术,完美匹配数传电台远传监测;
-增强型防雷击技术,确保仪表安全工作;
-环氧树脂密封结构,抗震、耐温,适合在恶劣现场环境中安装使用;
-铝合金外壳坚固抗震,隔离防爆;

显示单位
℃(摄氏度)、℉(华氏度)
测量范围
热电偶
E:0~750℃ K:0~1200℃
S:0~1300℃ B:0~1600℃
热电阻
Pt100:-200℃~500 ℃
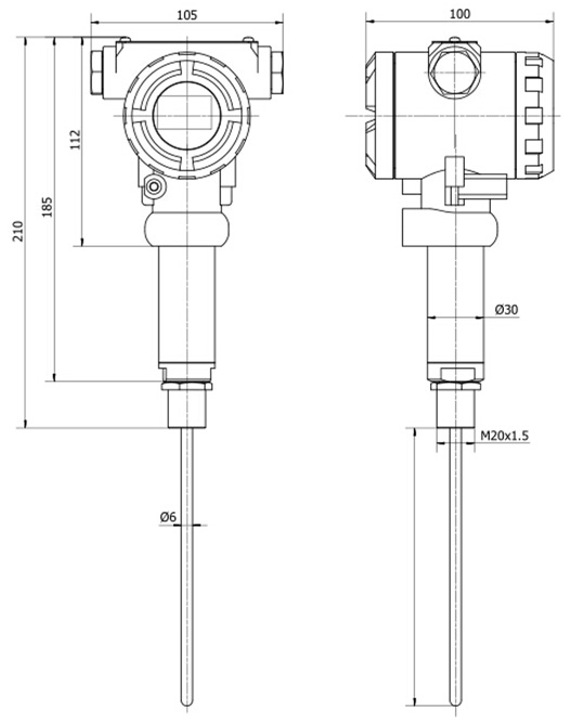
插入深度
50mm~2500mm (根据客户需求订做)
准确度等级
0.2级、0.5级
稳定性能
优于0.3%FS/年
输出信号
(4~20)mA(24V直流,两线制)
(1~5)V(24V直流,三线制)
通讯方式
RS485(同时兼容modbusRTU和安森自由协议)
量程迁移
建议不超过 3:1 (针对电流、电压输出信号)
负载能力
RL=U-12(V) / 0.02(A)
U--环路电压(V)
RL--允许负载电阻(Ω)
供电方式
(10~30)V直流(通讯供电)
环境温度
(-30~70)℃
相对湿度
<90%
大气压力
(86~106)kPa
显示方式
五位数字背光显示+百分比棒形图
防护等级
IP65
防爆等级
ExdIIBT4 Gb
软件配置
AncnView-T智能仪表检测软件(带RS485通讯):实时显示仪表数据,自动记录,自动绘制压力曲线,可导出至Excel表格,读取、打印、保存。
过程连接
公 制:M27×2、M20×1.5、M14×1.5等
英/美标:G1/2、G1/4、NPT1/2、NPT1/4等
▍ 产品选型
